nal系列负荷开关装配图_无锡市蓝虹电子有限公司
首 页
关于蓝虹
产品系列
公司新闻
业绩工程
蓝虹与ABB
订购热线
联系蓝虹
 
Welcome to www.lhdz.com
 
NAL系列负荷开关技术装配图
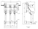
NAL12系列
点击图片放大
点击图片放大
点击图片放大
点击图片放大
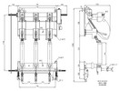
NAL24系列
点击图片放大
点击图片放大
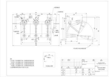
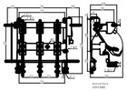
NAL24-6A275R(L)E负荷开关装配图
NAL246A275R(L)外形安装图
点击图片放大
点击图片放大
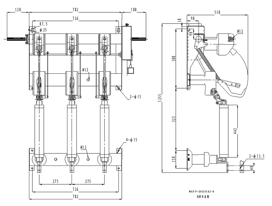
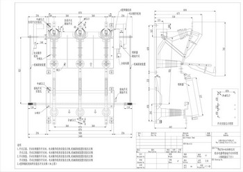
NALF24-6A275R(L)B负荷开关-熔断器 组合电器装配图
NALF24-6A275R(L)B外形安装图
   
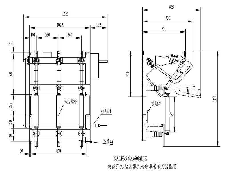
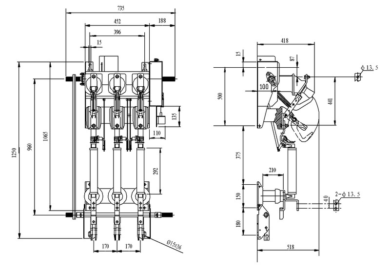
NAL36系列
点击图片放大
点击图片放大
点击图片放大
点击图片放大
 
NAL12系列技术外形图
点击图片放大
点击图片放大
NAL12负荷开关带接地外形图
NAL12负荷开关外形图
点击图片放大
点击图片放大
NALF12-E组合电器带接地外形图
NALF12组合电器外形图
NAL24系列技术外形图
点击图片放大
点击图片放大
NAL24负荷开关带接地外形图
NAL24负荷开关外形图
点击图片放大
点击图片放大
NALF24-E组合电器带接地外形图
NALF24组合电器外形图
NAL36系列技术外形图
点击图片放大
点击图片放大
NAL36-E负荷开关带接地外形图
NAL36负荷开关外形图
点击图片放大
点击图片放大
NALF36-E组合电器带接地外形图
NALF36组合电器外形图
 
 
Copyright www.lhdz.com 无锡市蓝虹电子有限公司 版权所有